Referenze
Edificio industriale – Caponago (Milano)
Realizzazione di un impianto per la climatizzazione estiva e invernale con un sistema di pompe di calore geotermiche che utilizzano l’acqua di falda e che permette di raffrescare gratuitamente gli ambienti attraverso il pavimento radiante.
La Sira S.r.l di Caponago, alle porte di Milano, ha installato pochi mesi fa un impianto di climatizzazione estiva ed invernale con un sistema di pompe di calore geotermiche che utilizzano l’acqua di falda e che permette di raffrescare gratis gli ambienti in estate.
L’edificio, progettato dall’architetto Giuseppe Cerrano e dall’ingegner Francesco Astolfi di Polistudio di Barzanò (Lc) si sviluppa su un’area di 5.823 m² disposta su 3 piani, destinati, a laboratori, spazi di carico e scarico, locali tecnologici.
L’impianto di climatizzazione invernale ed estivo, progettato dall’Ing. Emilio Panzeri di Polistudio, è stato realizzato con pannelli radianti a pavimento ed impianto di aria primaria abbinato a pompe di calore geotermiche Viessmann.
Gli ambienti climatizzati sono il magazzino al piano terra oltre al primo ed al secondo piano nella loro interezza, per una superficie totale netta di circa 4.400 m². L’altezza dei piani è di 5 m per il piano terra e di 4 per gli altri.
Nelle tubazioni a pavimento viene fatta circolare nel periodo invernale acqua calda alla temperatura di circa 35/40 gradi, mentre nel periodo estivo l’acqua refrigerata sarà alla temperatura di circa 15/20 gradi. L’impianto ad irraggiamento, oltre a creare le migliori condizioni di comfort ambientale, permette di evitare la stratificazione dell’aria calda nella parte più alta dell’ambiente e riduce i costi di gestione.
Il sistema
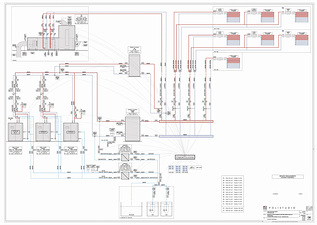
Il gruppo termofrigorifero è formato da tre pompe di calore alimentate ad energia elettrica Viessmann Vitocal 300 – WW280 di cui due complete di sistema per l’inversione del ciclo per la produzione dell’acqua refrigerata per il funzionamento estivo.
L’acqua di condensazione delle pompe di calore è prelevata dalle falde nel sottosuolo mediante due pozzi di prelievo con profondità di circa 130 m e restituita sempre nel sottosuolo con un pozzo profondo circa 30 metri. I pozzi di presa, ognuno dotato di pompa sommersa, sono fatti funzionare alternativamente in modo da avere sempre un pozzo con propria pompa di scorta per eventuali anomalie e manutenzioni ordinarie e straordinarie.
Il prelievo dell’acqua del sottosuolo permette poi, durante la fase invernale, di migliorare notevolmente i rendimenti delle pompe di calore. Durante la fase estiva l’acqua del sottosuolo permette invece di raffrescare gratuitamente, attraverso il pavimento radiante, gli ambienti.
Come noto l’acqua esistente nel sottosuolo ha una temperatura costante durante l’intero anno solare, non influenzata dalla temperatura esterna, pari a circa 13,5/14°C. L’impianto di raffrescamento estivo realizzato con i pannelli radianti ha temperature di regime dell’acqua pari a circa 15/20°C; ciò significa che la temperatura dell’acqua di falda è perfettamente compatibile con quella dell’impianto e che quindi non è necessario trattarla attraverso le pompe di calore in inversione di ciclo per l’abbassamento della temperatura. Attraverso l’applicazione di un semplice scambiatore di calore è possibile raffrescare l’acqua dell’impianto direttamente con l’acqua di falda e quindi sfruttare il cosiddetto “natural cooling”. Il trattamento dell’aria primaria richiede invece delle temperature dell’acqua refrigerata inferiori e pari a circa 7/8 gradi; ciò significa che l’acqua di mandata alle Unità di trattamento aria dovrà essere trattata dalle pompe di calore.
L’impianto
L’impianto di aria primaria consente un corretto ed equilibrato ricambio dell’aria ed assicura ambienti di lavoro più salubri, è formato da un sistema di canali per la distribuzione capillare dell’aria negli ambienti di lavoro, e da un’unità di trattamento dell’aria installata sulla copertura, completo di recuperatore di calore di tipo rotativo per il recupero dell’energia termica contenuta nell’aria aspirata dall’ambiente dal sistema di evacuazione dei fumi di saldatura.
In fase di climatizzazione estiva l’aria primaria è fondamentale per tenere sotto controllo il livello di umidità relativa dell’ambiente e quindi scongiurare la formazione di condensa sulla superficie del pavimento.
L’edificio, progettato dall’architetto Giuseppe Cerrano e dall’ingegner Francesco Astolfi di Polistudio di Barzanò (Lc) si sviluppa su un’area di 5.823 m² disposta su 3 piani, destinati, a laboratori, spazi di carico e scarico, locali tecnologici.
L’impianto di climatizzazione invernale ed estivo, progettato dall’Ing. Emilio Panzeri di Polistudio, è stato realizzato con pannelli radianti a pavimento ed impianto di aria primaria abbinato a pompe di calore geotermiche Viessmann.
Gli ambienti climatizzati sono il magazzino al piano terra oltre al primo ed al secondo piano nella loro interezza, per una superficie totale netta di circa 4.400 m². L’altezza dei piani è di 5 m per il piano terra e di 4 per gli altri.
Nelle tubazioni a pavimento viene fatta circolare nel periodo invernale acqua calda alla temperatura di circa 35/40 gradi, mentre nel periodo estivo l’acqua refrigerata sarà alla temperatura di circa 15/20 gradi. L’impianto ad irraggiamento, oltre a creare le migliori condizioni di comfort ambientale, permette di evitare la stratificazione dell’aria calda nella parte più alta dell’ambiente e riduce i costi di gestione.
Il sistema
Il gruppo termofrigorifero è formato da tre pompe di calore alimentate ad energia elettrica Viessmann Vitocal 300 – WW280 di cui due complete di sistema per l’inversione del ciclo per la produzione dell’acqua refrigerata per il funzionamento estivo.
L’acqua di condensazione delle pompe di calore è prelevata dalle falde nel sottosuolo mediante due pozzi di prelievo con profondità di circa 130 m e restituita sempre nel sottosuolo con un pozzo profondo circa 30 metri. I pozzi di presa, ognuno dotato di pompa sommersa, sono fatti funzionare alternativamente in modo da avere sempre un pozzo con propria pompa di scorta per eventuali anomalie e manutenzioni ordinarie e straordinarie.
Il prelievo dell’acqua del sottosuolo permette poi, durante la fase invernale, di migliorare notevolmente i rendimenti delle pompe di calore. Durante la fase estiva l’acqua del sottosuolo permette invece di raffrescare gratuitamente, attraverso il pavimento radiante, gli ambienti.
Come noto l’acqua esistente nel sottosuolo ha una temperatura costante durante l’intero anno solare, non influenzata dalla temperatura esterna, pari a circa 13,5/14°C. L’impianto di raffrescamento estivo realizzato con i pannelli radianti ha temperature di regime dell’acqua pari a circa 15/20°C; ciò significa che la temperatura dell’acqua di falda è perfettamente compatibile con quella dell’impianto e che quindi non è necessario trattarla attraverso le pompe di calore in inversione di ciclo per l’abbassamento della temperatura. Attraverso l’applicazione di un semplice scambiatore di calore è possibile raffrescare l’acqua dell’impianto direttamente con l’acqua di falda e quindi sfruttare il cosiddetto “natural cooling”. Il trattamento dell’aria primaria richiede invece delle temperature dell’acqua refrigerata inferiori e pari a circa 7/8 gradi; ciò significa che l’acqua di mandata alle Unità di trattamento aria dovrà essere trattata dalle pompe di calore.
L’impianto
L’impianto di aria primaria consente un corretto ed equilibrato ricambio dell’aria ed assicura ambienti di lavoro più salubri, è formato da un sistema di canali per la distribuzione capillare dell’aria negli ambienti di lavoro, e da un’unità di trattamento dell’aria installata sulla copertura, completo di recuperatore di calore di tipo rotativo per il recupero dell’energia termica contenuta nell’aria aspirata dall’ambiente dal sistema di evacuazione dei fumi di saldatura.
In fase di climatizzazione estiva l’aria primaria è fondamentale per tenere sotto controllo il livello di umidità relativa dell’ambiente e quindi scongiurare la formazione di condensa sulla superficie del pavimento.
- Azienda: VIESSMANN

